
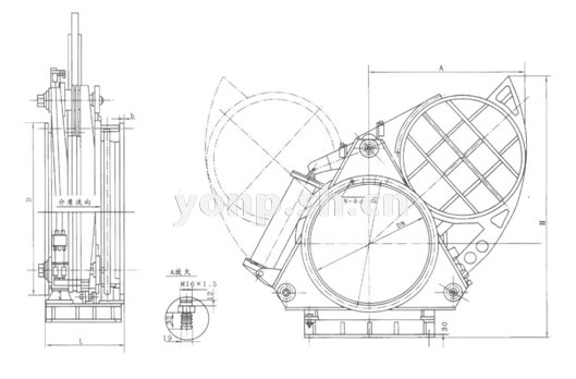
氣動扇形盲板閥主要由左閥體、右閥體、絲桿副、閥板密封圈、杠桿、氣缸等零件組成,并由底座、支撐柱構成一個剛性結構 體。閥門中設有夾緊、松開氣缸和翻板氣缸,夾緊、松開氣缸通過杠桿副和絲桿螺旋副驅動左、右閥體完成松開、夾緊動作,翻板 氣缸驅動閥板完成開關動作。橡膠密封圏鑲嵌在閥板上,具有耐溫高、密封性能好、更換方便、使用壽命長等特點。
本閥可以單臺遠距離控制,亦可多臺聯(lián)網遠距離控制。

| DN | L | D | D1 | A | Η | b | Ν-Φd | 質量(Kg) | |
| PN0.05 PN0.10 | PN0.15 PN0.25 | ||||||||
| 300 | 450 | 440 | 395 | 480 | 720 | 16 | 12-Φ22 | 255 | 280 |
| 350 | 450 | 490 | 445 | 520 | 810 | 16 | 12-Φ22 | 285 | 310 |
| 400 | 450 | 540 | 495 | 600 | 920 | 16 | 16-Φ22 | 300 | 330 |
| 450 | 500 | 595 | 550 | 658 | 995 | 16 | 16-Φ22 | 350 | 380 |
| 500 | 500 | 645 | 600 | 712 | 1102 | 20 | 20-Φ22 | 400 | 440 |
| 600 | 600 | 755 | 705 | 920 | 1500 | 20 | 20-Φ26 | 500 | 550 |
| 700 | 600 | 860 | 810 | 970 | 1600 | 20 | 24-Φ26 | 580 | 630 |
| 800 | 800 | 975 | 920 | 1100 | 1850 | 35 | 24-Φ30 | 1500 | 1650 |
| 900 | 800 | 1075 | 1020 | 1200 | 1980 | 35 | 24-Φ30 | 1800 | 1980 |
| 1000 | 800 | 1175 | 1120 | 1320 | 2200 | 35 | 28-Φ30 | 2100 | 2300 |